慧博新锐

物位计选型
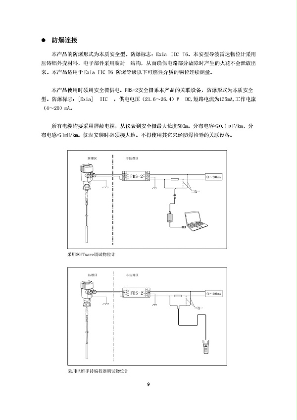
导波雷达物位计 HBRD-703

-5329T27YIFhBAQGN-001

-5329T27YIFhBAQGN-005

-5329T27YIFhBAQGN-006

-5329T27YIFhBAQGN-007

-5329T27YIFhBAQGN-008

-5329T27YIFhBAQGN-009

-5329T27YIFhBAQGN-010

-5329T27YIFhBAQGN-011

-5329T27YIFhBAQGN-012

-5329T27YIFhBAQGN-013

-5329T27YIFhBAQGN-014

-5329T27YIFhBAQGN-015

-5329T27YIFhBAQGN-016

-5329T27YIFhBAQGN-017

-5329T27YIFhBAQGN-018

返回
列表
上一条导波雷达物位计HBRD-704选型说明书
下一条 导波雷达液位计HBRD-702